在電子電路領域,晶體管憑借其卓越的特性和多樣的功能,被廣泛應用于各類電路設計之中。其中,晶體管用于構建恒壓源和恒流源電路,展現出巨大的應用潛力和極高的實用價值,備受工程技術人員的青睞。
一、晶體管構成的恒壓源與恒流源概述
晶體管在組成電壓源電路時,通常采用共集電極電路架構。此架構的電路輸入端連接于基極,而輸出端則從發射極引出。這樣的設計賦予了共集電極電路一個顯著特點:輸出電壓與輸入電壓在電位特性上保持一致,但輸出電壓相較于輸入電壓會降低約0.6V,即呈現α倍的電壓特性。至于輸出電流,由于晶體管的電流放大作用,輸出電流 Ie 為輸入電流 Ib 的 β 倍。這里,α的取值范圍大致在 0.9 至 0.95 之間,而 β 作為共發射極電路的電流放大倍數,其值則根據晶體管的類型和特性,在 30 至 200 的區間內變化。
而當晶體管用于構成恒流源時,常選用共基極電路。在該電路中,輸入端位于發射極與基極之間,輸出端則處于集電極與基極之間。由于晶體管的電流放大特性,輸出電流 Ic 相較于輸入電流同樣能實現 β 倍的增長。這兩種電路架構在實際的電子工程中被大量應用于各種電子設備和系統中,為電路的穩定運行和性能提升提供了關鍵支持。
二、晶體管恒流源電路的深入剖析
晶體管恒流源電路是一種以晶體三極管為核心元件的恒流電路。其工作原理主要基于晶體三極管集電極電壓變化對電流影響相對較小的特性。在電路設計中,通過引入電流負反饋機制,能夠進一步提升輸出電流的恒定性,確保電流輸出的穩定性。同時,為提高恒流源電路的性能,通常還會結合溫度補償和穩壓措施,以應對環境溫度變化和電源電壓波動對電路性能的影響。
晶體管恒流源電路可分為兩種基本類型。

一種類型如圖 1(A)所示,電路中 R1、R2 共同構成分壓網絡,用于穩定 b 點的電位,使其穩定在 Vb。Re 在電路中起到電流負反饋的作用,通過對輸出電流的監測和反饋調節,實現輸出電流 IO 的穩定輸出,其計算公式可近似表示為 IO = (Vb - Vbe)/Re ≈ Vb / Re(當 Vb 遠大于 Vbe 時)。圖 1(B)的計算方式可參考圖 1(A)的計算原理進行相應推導。

一種類型如圖 1(A)所示,電路中 R1、R2 共同構成分壓網絡,用于穩定 b 點的電位,使其穩定在 Vb。Re 在電路中起到電流負反饋的作用,通過對輸出電流的監測和反饋調節,實現輸出電流 IO 的穩定輸出,其計算公式可近似表示為 IO = (Vb - Vbe)/Re ≈ Vb / Re(當 Vb 遠大于 Vbe 時)。圖 1(B)的計算方式可參考圖 1(A)的計算原理進行相應推導。
然而,圖 1 中的電路也存在一定的局限性。晶體管的集電極與發射極之間的電阻通常較高,一般可達幾十千歐以上。在實際應用中,若工作電壓僅為幾伏時,采用這種恒流源電路會導致等效內阻過大,進而引起較大的功耗,并且電流輸出的精度也會受到一定影響,難以滿足高精度恒流需求。
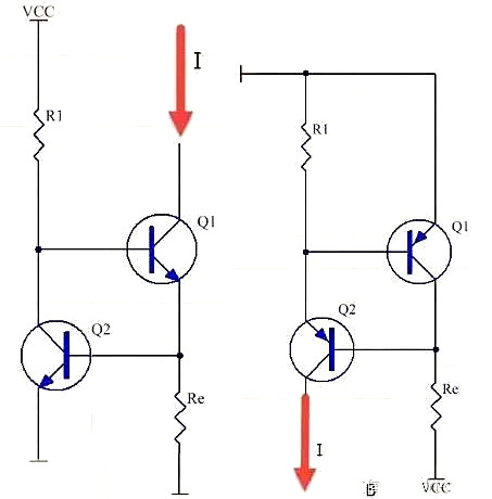
針對這一問題,在實際電路設計中,一種更為常用的簡易恒流源電路如圖 2 所示。

該電路采用兩只同類型的三極管組成,巧妙地利用三極管相對穩定的 be 電壓作為基準電壓源。通過這一設計,可實現對電流數值的控制,其電流計算公式為 I = Vbe/R1。這種恒流源電路具有結構簡單、易于實現的優點,且能夠自由調節電流數值,無需使用特殊元件,從而有利于降低產品成本,在許多對成本敏感的應用場景中得到了廣泛應用。

該電路采用兩只同類型的三極管組成,巧妙地利用三極管相對穩定的 be 電壓作為基準電壓源。通過這一設計,可實現對電流數值的控制,其電流計算公式為 I = Vbe/R1。這種恒流源電路具有結構簡單、易于實現的優點,且能夠自由調節電流數值,無需使用特殊元件,從而有利于降低產品成本,在許多對成本敏感的應用場景中得到了廣泛應用。
不過,圖 2 所示的恒流源電路也存在一些不足之處。由于不同型號的三極管,其 be 電壓并非固定值,即使是相同型號的三極管,也存在一定的個體差異。此外,在不同的工作電流條件下,be 電壓也會出現一定的波動現象。因此,這種簡易恒流源電路并不適合對電流精度要求極高的精密恒流應用場景。
〈烜芯微/XXW〉專業制造二極管,三極管,MOS管,橋堆等,20年,工廠直銷省20%,上萬家電路電器生產企業選用,專業的工程師幫您穩定好每一批產品,如果您有遇到什么需要幫助解決的,可以直接聯系下方的聯系號碼或加QQ/微信,由我們的銷售經理給您精準的報價以及產品介紹
〈烜芯微/XXW〉專業制造二極管,三極管,MOS管,橋堆等,20年,工廠直銷省20%,上萬家電路電器生產企業選用,專業的工程師幫您穩定好每一批產品,如果您有遇到什么需要幫助解決的,可以直接聯系下方的聯系號碼或加QQ/微信,由我們的銷售經理給您精準的報價以及產品介紹
聯系號碼:18923864027(同微信)
QQ:709211280

