當前LED照明正逐漸興起,其具有體積小、功耗低、壽命長、節能環保無污染等特征。LED是電流驅動器件,其亮度與正向電流成正比,為保證LED發光高效均勻、LED驅動源應為恒電流輸出。而目前照明市場上的LED驅動電路設計多數存在電路復雜、效率不高、電路成本高等特點。本文根據恒電流二極管的特性,針對LED照明中的小功率和大功率LED的不同特性,分別給出了驅動電路設計。
1.恒電流二極管特性
恒電流二極管(CRD)是一種硅材料制造的基礎電子器件。正向恒電流導通,反向截止,輸出恒電流。器件按極性接入電路回路中,回路即可達到恒流的效果,應用簡單,實現了電路理論和電路設計中的二端恒流源。本文驅動電路設計中使用的是2DHL系列恒電流二極管。2DHL系列為二端器件,圖1為2DHL系列恒電流二極管輸出特性曲線,圖2為恒電流二極管的實際測量曲線圖。


圖1恒電流二極管特性曲線


圖2恒電流二極管實測曲線
2.阻容降壓驅動電路
目前小功率的LED照明主要集中在LED工作電流為18-30mA的LED照明應用,燈具的功耗在1-5w,針對其特點,下面給出基于阻容降壓的LED驅動電路設計,該方案設計方法靈活,可根據負載的需要靈活的配置。
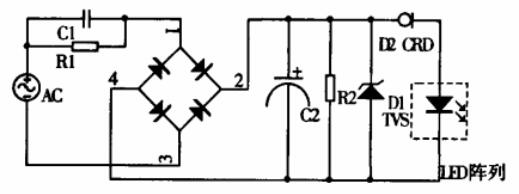
LED照明方案采用交流市電220V供電,須經過轉換將高電壓的交流電轉換為低壓直流電,目前降壓電路主要有工頻變壓器線性降壓、高頻開關電路、基于C的降壓電路、阻容降壓電路等幾類。由于恒電流二極管的工作特性,其受電壓波動影響小的特點,結合驅動電源的體積與成本等因素,采用阻容式降壓電路變得可行4。圖3為采用恒電流二極管的阻容降壓驅動電路:


圖3阻容降壓LED驅動電路
驅動電路中C1為降壓電容,電容降壓電路輸出電流主要與降壓電容容量和輸出電壓有關,輸出電壓越高電流越小。為保證降壓電容安全工作,其耐壓值應大于2倍市電電壓,所以降壓電容宜選用耐壓值630V以上的獨石電容。表1給出了采用0.68-3.3F不同大小降壓電容,驅動電路在不同電壓下提供的電流以及能夠驅動的LED負載數量,可根據負載需要靈活配置。
R1為放電電阻,當電路斷電C1通過R1快速放電。IN4007二極管組成全波整流橋。電容C2為濾波電容,當濾波電容C2取4.7uF以上時可以保證電路濾波效果,同時也可以保證電路功率因數在50%以上。R2為濾波電阻。D1為瞬態二極管,其導通電壓比負載電壓略高,對電路中LED負載出現短路時進行保護,防止LED燒毀。
電路中D2為恒電流二極管器件,為負載電路提供恒定的電流,采用2DHL系列二端恒電流二極管,由于輸出電流大,可以直接驅動負載,實現恒定電流電源。同時可根據負載的LED陣列的具體串并聯情況,針對電路中電流的不同要求將恒電流二極管進行并聯以提高電流。由于該系列恒電流二極管的工作電壓范圍較寬(25-100V),當市電進行波動時,恒電流二極管在耐壓范圍內一直是工作于恒流區域,對于負載電路的電流不會產生影響,保證了LED燈具有良好的工作環境,同時當負載LED出現短路斷路情況時,電路中也有保護措施保證LED的安全。
3.全波整流驅動方案
采用阻容降壓電路驅動小功率LED的設計,驅動負載的功耗低,配置靈活。除此外還可以采用全波整流電路驅動數量較多的LED照明應用方案,如采用小功率(20mA)LED燈珠進行串并聯的L.ED日光燈,功耗在12-30W,圖4給出基于恒電流二極管驅動的全波整流驅動電路設計。


圖4全波整流直接驅動LED驅動電路
電路中由220V市電供電,通過整流橋進行全波整流,經過一個無極電容的濾波,此處選用一個2.2uF,耐壓450V的無極獨石電容進行濾波。負載端連接串聯有恒電流二極管的負載LED串聯燈珠,串聯的LED數量可以根據全波整流后的有效電壓值進行計算。根據燈型需要,可以并聯多組LED負載。
市電經整流橋進行全波整流后再通過無極電容的濾波,雖然濾波后的電壓波形不是恒定直流,有一定的振蕩,但是由于加入了恒電流二極管器件,當電路中的電壓超過設定值時,恒流管處于恒流區域,對電路的電流進行限制,起到保護電路的作用,其波形圖如圖5所示。


圖5全波整流驅動電路電壓仿真波形
圖中上下兩個振蕩的波形分別是負載回路中恒電流二極管前端和后端的電壓波形圖,從圖中可以看出,雖然負載端的電壓有振蕩,但是由于接人了恒電流二極管,其電壓進入恒流區后,多余的電壓被恒流管吸收,實際后端的輸出電壓波形的振蕩波形變緩了,從而使得電路中的電流限制在一個LED安全工作的范圍內,起到了恒定電流的作用,其波形圖如圖6所示。

圖6全波整流驅動電路電流仿真圖
此時LED負載端的電流控制在18-20mA之間工作,保證了LED能夠正常安全的工作,其電流波形的小幅振蕩不會造成光源閃爍。
恒電流二極管的工作電壓范圍較寬,當市電在合理范圍內波動時(士30%),電路電流處于恒電流二極管的恒流區域,不會出現負載電路電流過高燒毀LED的情況,對電路進行了有效保護。
由于市電可以提供-一個較大的電流,其負載可以根據需要進行并聯,使得該驅動電路方案可以驅動功耗較大的負載,如LED日光燈。驅動電路中的每一組負載都用了一個恒電流二極管進行驅動,當某組支路LED出現短路或者短路時,不會對其它支路造成影響,保護了電路的安全,同時方便電路檢修。
該方案在設計上簡化了設計復雜度,成本大大低于采用開關電源的設計方案,同時其功率因數可以達到75%以上。由于采用開關電源以及阻容降壓電源的驅動方案,保證了交流整流橋的收斂性。同時,由于沒有采用電解電容濾波,而是采用壽命更長的獨石電容進行濾波,保證了驅動電路的工作壽命與LED燈芯的壽命相匹配。這也解決了當前LED照明市場驅動電源壽命短,效率不高的問題。
結束語
以上基于恒電流二極管的LED驅動電路設計介紹了。該方案在設計上簡化了設計復雜度,成本大大低于采用開關電源的設計方案,同時其功率因數可以達到75%以上。由于采用開關電源以及阻容降壓電源的驅動方案,保證了交流整流橋的收斂性。同時,由于沒有采用電解電容濾波,而是采用壽命更長的獨石電容進行濾波,保證了驅動電路的工作壽命與LED燈芯的壽命相匹配。這也解決了當前LED照明市場驅動電源壽命短,效率不高的問題。
〈烜芯微/XXW〉專業制造二極管,三極管,MOS管,橋堆等,20年,工廠直銷省20%,上萬家電路電器生產企業選用,專業的工程師幫您穩定好每一批產品,如果您有遇到什么需要幫助解決的,可以直接聯系下方的聯系號碼或加QQ/微信,由我們的銷售經理給您精準的報價以及產品介紹
聯系號碼:18923864027(同微信)
QQ:709211280

