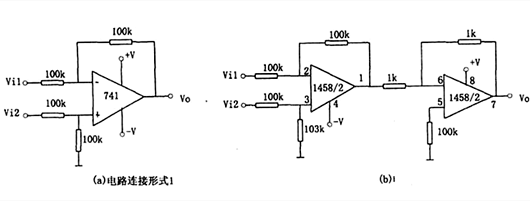
通用減法器電路
圖(a)電路輸入輸出關系為:V0=Vi2-Vi1圖中放大器的輸出信號電壓極性通常與輸入電壓極性相同。如果要求反相輸出,則采用圖(b)所示電路。其輸入輸出關系為:Vo=Vi1-Vi2。

INA105構成的減法電路
如圖所示為其他器件組成的減法電路(2)。該電路輸入輸出關系為:Vo=Vi2-Vi1。

從同相端輸入的兩運放減法電路
如圖所示為從同相端輸入的兩運放減法電路。

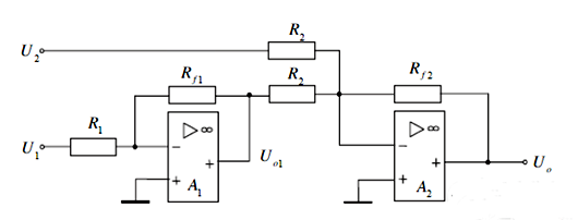
用加法電路構成減法電路

如上圖所示,第一級為反相比例放大電路,若Rf1=R1,則Uo1=-U1;第二級為反相加法電路,則可導出

如果R2=Rf2,則上式變為

〈烜芯微/XXW〉專業制造二極管,三極管,MOS管,橋堆等,20年,工廠直銷省20%,上萬家電路電器生產企業選用,專業的工程師幫您穩定好每一批產品,如果您有遇到什么需要幫助解決的,可以直接聯系下方的聯系號碼或加QQ/微信,由我們的銷售經理給您精準的報價以及產品介紹
聯系號碼:18923864027(同微信)
QQ:709211280

