TDA2822M是一塊雙路音頻功放集成電路。特點是效率高、耗電小、靜態工作電流也只有6mA,電源電壓在1.8V~15V范圍內部可以正常工作。電路內設有短路保護、過熱保護、電源極性接反、地線偶然開路和負載泄放電壓反沖等保護電路,工作穩定并且安全可靠。通常在袖珍式盒式放音機、收錄機和多媒體有源音箱中作音頻放大器。本文將介紹TDA2822M的幾種應用電路。

TDA2822M
1.TDA2822M原理圖
TDA2822M的①和③腳直接接入揚聲器的兩端,第②腳接+5V的電壓, 本電路將功放電路接成BTL輸出, 這種接法可以提高輸出功率3~4倍,同時也可以改善音質,降低失真。C14、C15、C8和c9接電解電容都是為 了讓語音信號順利通過, 濾除干擾。C16和C17為選頻電路, 作用是隔離不需要的高頻信號。②腳接入104的電容和47uF的電解電容,目的是穩壓和濾波。TDA2822M電路連接圖如圖所示。

TDA2822M原理圖
2.TDA2822M功放電路圖
一般的集成功放電路外圍元件較多且需要較大的散熱器。這款功放電路簡單,自制方便。電路如圖(1)所示。用一塊TDA2822M功放集成電路接成BTL方式,外圍元件只有一只電阻和兩只電容,不用裝散熱器,放音效果也令人滿意的。
集成電路TDA2822M為8腳雙列直插式封裝,R1的數值要求不拘,一般選用10k的碳膜電阻。C1可選用0.1uF的滌綸電容,C2為100uF/160V的電解電容。由于電路簡單,印制板可用鏟刻法制作用水磨砂紙或牛皮紙沾少量水擦亮,用水洗凈擦干,涂上一層松香酒精溶液,干后把元件直接焊在銅箔面即可。 焊好后檢查無誤,然后先不接揚聲器,接上電源,則正負輸出端之間電壓應小于0.1V。接上揚聲器,用手觸摸輸入端,揚聲器應發出較大的“嗡”聲。這時即可輸入信號試音。電路板不用鉆孔。

TDA2822M功放電路圖
使用時應注意:由于本功放為直接耦合,所以輸入信號不能帶直流成分。如果輸入信號有直流成分則必須在輸入端串接一只10uF左右的電容隔開,否則將有很大的直流電流流過揚聲器,使之發熱燒毀。在實踐中,若對圖(1)再進行適當的改制則效果更為理想。改進后的電路如圖(2)所示。在使用中發現,音量開得最大時TDA2822M發熱燙手,于是給TDA2822M制作了散熱器,如圖(3)所示。散熱器用厚lmm,長38mm,寬25mm的鋁片制成。并在散熱片上開5~6個長10mm,寬lmm的槽,再把做熱片沿虛線折成“口”形。裝散熱器時先在TDA2822M上放點硅脂(硅脂可剖開3AX31或3AX81管殼中取)。按圖(4)(a)用細線綁扎緊即可。應注意的是把TDA2822M的引腳數寫在散熱片的側面,以免焊接時出錯。加散熱器后,音量開至最大散熱器只暖一點,散熱效果不錯。此法也可用于其它小集成電路的散熱。我們用兩個功放電路做成隨身聽立體聲功率接續器,來推動兩個小音箱,效果很好。
3.USB供電電腦音箱電路
這是USB供電的電腦音箱的電路原理圖,它廣泛應用于電腦多媒體音箱。在電路的單chipbased設計,低壓電器電源,電腦USB電源的兼容性,簡單的散熱,價格低廉,大的靈活性和廣泛的溫度公差。

電腦音箱的電路原理圖
在電路的核心是集成電路TDA2822M。實際上,這個IC是在單片式8無鉛微型DIP(雙列直插式封裝)。它被設計為雙電池供電的聲音播放器的音頻功率放大器使用。TDA2822M的特點是非常低的靜態電流,低交越失真,直流電源電壓下降到1.8伏,最小輸出功率約450毫瓦/通道,5V直流電源輸入4歐姆揚聲器。
一個理想的功放基本上可以作為一個電路,它可以提供到外部負載,而無需產生大量的信號失真和音頻功率,而無需耗費極端靜態電流。
該電路由5V直流電源從計算機的USB端口索取。當打開電源開關S1“上的立場,5V電源延長對電路和電源指示燈紅色的LED1立即亮起。電阻R1實際上是一個電流浪涌限制器和電容C1和C4作為緩沖區的工作。
電路的工作過程
電路的操作非常簡單。從電腦音頻端口或耳機端口,音頻信號反饋對放大電路通過R2和C2(左聲道),R3和C3(forright通道)。作為potensiometer VR1的左(L)通道的音量控制器,而potensiometer的VR2用于控制權的音量(R)頻道。TDA2822M 7腳接收左聲道聲音信號和引腳6接收右聲道信號,通過VR1和VR2相應。驅動左,右揚聲器放大信號可以在引腳1和IC1的3腳得到相應。元件R5和C8,R6和C10組成的經典Zobel網絡。
構建一個中等大小的電路,通用PCB和括在一個適當的情況下。這真的是建議利用TDA2822M集成電路插座。外部連接應該要適當屏蔽電線的工作改進的結果。
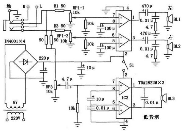
4.2.1聲道功放電路
下圖是兩只TDA2822M集成電路組成的2.1聲道功放電路。本音響系統采用兩只TDA2822M集成電路,具有體積小、組裝簡單、放音效果好等優點,尤其是加強了低音效果,非常適合住集體宿舍的“發燒友”一族制作。

2.1聲道功放電路
IC1、IC2均為立體聲功放集成電路TDA2822M,其中IC1組成雙聲道功率放大電路,音源信號經電阻R1、R3及雙聯電位器RP1-1、RPl-2送入ICl進行功率放大,放大后的音頻信號推動揚聲器BL1、BL2工作。IC2以BTL電路形式構成低音效果功放,使用時由開關Sl控制其是否工作。由于BTL電路功耗較大,安裝時IC2應加上適當的散熱片。此外,由于低音效果功放沒有加裝低通濾波器,在使用過程中,應盡量利用音源機的音調控制電路或采用小型低音音箱以加強低音效果。
5.小功率有源音箱電路
下圖是基于TDA2822M的小功率有源音箱電路圖。

小功率有源音箱電路圖
本文總結了TDA2822M的幾種應用電路圖。從上文可以看出,TDA2822M是一片非常經典的優秀音頻功率放大集成電路,它廣泛用于便攜式收錄機中,在一些功率稍大的,尤其是帶有機身揚聲器的隨身聽中也可以經常看到TDA2822M的身影。
電話:18923864027(同微信)
QQ:709211280
〈烜芯微/XXW〉專業制造二極管,三極管,MOS管,橋堆等,20年,工廠直銷省20%,上萬家電路電器生產企業選用,專業的工程師幫您穩定好每一批產品,如果您有遇到什么需要幫助解決的,可以直接聯系下方的聯系號碼或加QQ/微信,由我們的銷售經理給您精準的報價以及產品介紹

