LM386廣泛應用于音頻功放電路,在絕大多數場合或單獨使用的情況下,LM386能正常工作,但是在和其他電路搭配使用之后,有可能產生自激和靈敏度降低等現象。本文主要介紹應對這種現象防治措施以及使用注意事項
1.防治自激嘯叫措施
1.1輸入信號過強
對于由于輸入信號過強引起的嘯叫,可在LM386第1、8腳之間加阻容網絡。量應用時,R的阻值可由實驗決定,或將R代換為微調電位器W,若信號仍然過強,可將LM386第1、8腳懸空。
1.2高頻自激

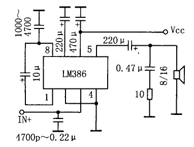
圖1 防高頻自激電路原理
防高頻自激電路原理如圖1所示。對高頻自激引起的嘯叫可在信號輸入端與地之間接一只4700pF~0.22μF的瓷片電容,在第8腳與地之間接一只1000~4700pF瓷片電容。作單端輸人時,閑置的輸入端不要懸空而要接地。
1.3低頻自激
對于低頻自激引起的嘯叫可試在輸入端與地之間接一只6.8~22kΩ電阻,將第8腳的濾波電容增大到1000μF,在制作印制板時,使LM386盡量靠近電源輸出端。
1.4其他方法
在使用其它品牌產品(如GL386、KA386等)時,有的IC會對高音頻的靈敏度有影響??稍谄涞?腳與地之間接一只0.1μF瓷片電容,在第4、6腳間(注:不同于第8腳接地)接一保0.1UF瓷片電容。
2.注意事項
盡管LM386的應用非常簡單,但稍不注意,特別是器件上電、斷電瞬間,甚至工作穩定后,一些操作(如插拔音頻插頭、旋音量調節鈕)都會帶來的瞬態沖擊,在輸出喇叭上會產生非常討厭的噪聲。

圖2 LM386外形圖
1.PCB設計時,所有外圍元件盡可能靠近LM386;地線盡可能粗一些;輸入音頻信號通路盡可能平行走線,輸出亦如此。
2.選好調節音量的電位器。質量太差的不要,否則受害的是耳朵;阻值不要太大,10K最合適,太大也會影響音質。
3.通過接在1腳、8腳間的電容(1腳接電容+極)來改變增益,斷開時增益為20。因此用不到大的增益,電容就不要接了,不光省了成本,還會帶來好處。
4.盡可能采用雙音頻輸入/輸出。好處是:“+”、“-”輸出端可以很好地抵消共模信號,故能有效抑制共模噪聲。
5.電源的處理,也很關鍵。如果系統中有多組電源,由于電壓不同、負載不同以及并聯的去耦電容不同,每組電源的上升、下降時間必有差異。非??尚械姆椒ǎ簩⑸想姟⒌綦姇r間短的電源放到+12V處,選擇上升相對較慢的電源作為LM386的Vs,但不要低于4V。
6.第7腳(BYPASS)的旁路電容不可少,實際應用時,BYPASS端必須外接一個電解電容到地,起濾除噪聲的作用。工作穩定后,該管腳電壓值約等于電源電壓的一半。增大這個電容的容值,減緩直流基準電壓的上升、下降速度,有效抑制噪聲。在器件上電、掉電時的噪聲就是由該偏置電壓的瞬間跳變所致,所以這個電容不能省。
7.減少輸出耦合電容。此電容的作用有二:隔直+耦合。隔斷直流電壓,直流電壓過大有可能會損壞喇叭線圈;耦合音頻的交流信號。它與揚聲器負載構成了一階高通濾波器。減小該電容值,可使噪聲能量沖擊的幅度變小、寬度變窄;太低還會使截止頻率(fc=1/(2π*RL*Cout))提高。分別測試,發現10uF/4.7uF最為合適。
電話:18923864027(同微信)
QQ:709211280
〈烜芯微/XXW〉專業制造二極管,三極管,MOS管,橋堆等,20年,工廠直銷省20%,上萬家電路電器生產企業選用,專業的工程師幫您穩定好每一批產品,如果您有遇到什么需要幫助解決的,可以直接聯系下方的聯系號碼或加QQ/微信,由我們的銷售經理給您精準的報價以及產品介紹

