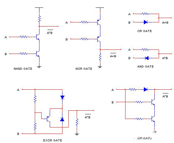
有時候我們搭電路時只需要實現一個簡單的邏輯,但用一個4門的集成電路來設計未免過于昂貴與占面積,而且IC里沒用到的門電路又必須拉高或拉低,相當煩瑣。鑒于簡化電路的需要我整理了一套用三極管、二極管、電阻組成的邏輯門電路,可實現2輸入或3輸入的 AND,OR,NAND,NOR,EXOR操作。


三極管組成的邏輯門電路
實際使用時有一點需要注意的是三極管、二極管的壓降會降低輸出信噪比,所以不建議將此種電路和TTL電路混用。
再上傳一個晶體管構成的施密特電路:

烜芯微專業制造二極管,三極管,MOS管,橋堆等,20年,工廠直銷省20%,1500家電路電器生產企業選用,專業的工程師幫您穩定好每一批產品,如果您有遇到什么需要幫助解決的,可以直接聯系上方的聯系號碼或加QQ,由我們的銷售經理給您精準的報價以及產品介紹

