場效應管的恒流源
恒流源在現代計量測試領域應用十分廣泛,文獻有提到使用恒流源供電可提高標準燈的穩定性;文獻中提到用恒流源測電阻比用伏安法精度更高。恒流源按照恒流器件不同可分為晶體管恒流源集成電路恒流源、場效應管恒流源。
晶體管恒流源的電流控制器件穩流精度不高;集成電路恒流源適合小電流恒流但很難做大;場效應管是一種電壓控制器件,它的輸人電阻非常高。柵極幾乎不取電流,非常適合作恒流源的調整管。本設計用P溝道增強型場效應管設計的恒流源精度優于0.5%。
恒流原理

圖1是場效應管的轉移特性和輸出特性。從轉移特性曲線上,我們知道場效應管的漏源電流I由它的柵源電壓決定;在輸出特性曲線上,場效應管工作可以分為四個區:可變電阻區、恒流區(放大區)、擊穿區、夾斷區。
在可變電阻區漏源電流隨漏源電壓、柵源電壓的增大而增加;在恒流區漏源電流為恒定值,其大小由柵源電壓控制,隨著漏源電壓的繼續增大場效應管進入擊穿區,管子會損壞,當柵源電壓低于管子的開啟電壓時,管子進入夾斷區,漏極源極上幾乎沒有電流流過。因此只要讓管子工作在恒流區,就能實現恒流,并且改變柵源電壓就能改變恒流的大小。
場效應管恒流源電路圖一
如圖,其中分壓電阻和穩壓管為場效應管的柵極提供一個固定的基準電壓。

場效應管恒流源電路圖二
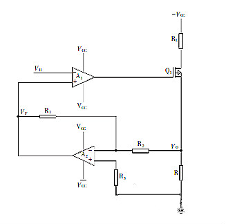
基于場效應管的恒流源電路原理圖如下圖所示,電流經過采樣電阻轉換為采樣電壓。采樣電壓經運放A2反向放大后作為反饋電壓VF送入運放A1的同相端,與基準電壓VR進行比較,對柵極電壓進行調整,從而對輸出電流進行調整,使整個閉環反饋系統處于動態平衡中,以達到穩定輸出電流的目的。
如果輸出電流增大,則采樣電阻上的采樣電壓隨之增大,反饋電壓VF也增大,運放A1同相端電壓增大,而基準電壓不變,運放A1的輸出電壓為(VF-VR)K(K為運放A1的開環增益),因此運放A1的輸出電壓降低,柵極電壓下降從而使輸出電流下降,使輸出電流保持穩定。

場效應管恒流源電路圖三

場效應管屬于電壓控制元件,這一點類似于電子管的三極管,但它的構造與工作原理和電子管是截然不同的,與雙極型晶體管相比,場效應晶體管具有如下特點:
(1)場效應管是電壓控制器件,它通過UGS來控制ID;
(2)場效應管的輸入端電流極小,因此它的輸入電阻很大。
(3)它是利用多數載流子導電,因此它的溫度穩定性較好;
(4)它組成的放大電路的電壓放大系數要小于三極管組成放大電路的電壓放大系數;
(5)場效應管的抗輻射能力強;
(6)由于不存在雜亂運動的少子擴散引起的散粒噪聲,所以噪聲低。
烜芯微專業制造二極管,三極管,MOS管,橋堆等20年,工廠直銷省20%,4000家電路電器生產企業選用,專業的工程師幫您穩定好每一批產品,如果您有遇到什么需要幫助解決的,可以點擊右邊的工程師,或者點擊銷售經理給您精準的報價以及產品介紹
烜芯微專業制造二極管,三極管,MOS管,橋堆等20年,工廠直銷省20%,4000家電路電器生產企業選用,專業的工程師幫您穩定好每一批產品,如果您有遇到什么需要幫助解決的,可以點擊右邊的工程師,或者點擊銷售經理給您精準的報價以及產品介紹

