一 LED基本分類與應用
●按輸出功率分類:
0.4W、1.28W、1.4W、3W、4.2W、5W、8W、10.5W、12W、15W、18W、 20W、23W、25W、30W、45W、60W、100W、120W、150W、200W、300W 等。
●按輸出電壓分類:
DC4V、6V、9V、12V、18V、24V、36V、42V、48V、54V、63V、81V、105V、135V等。
●按外形結構分類:
PCBA裸板和有外殼的兩種。
●按安全結構分類:
隔離和非隔離的兩種。
●按功率因數分類:
帶功率因數校正和不帶功率因數。
●按防水性能分類:
防水和不防水兩種。
●按激勵方式分類:
自激式和它激式。
●按電路拓撲分類:
RCC、Flyback、Forward、Half-Bridge、Full-Bridge、Push-PLL 、LLC等。
●按轉換方式分類:
AC-DC與DC-DC兩種。
●按輸出性能分類:
恒流、恒壓與既恒流又恒壓三種。
LED驅動電源的應用
分別用于射燈、櫥柜燈、小夜燈、護眼燈、LED天花燈、燈杯、埋地燈、水底燈、洗墻燈、投光燈、 路燈、招牌燈箱、串燈、筒燈、異形燈、星星燈、護攔燈、彩虹燈、幕墻燈、柔性燈、條燈、帶燈、 食人魚燈、日光燈、高桿燈、橋梁燈、礦燈、手電筒、應急燈、臺燈、燈飾、交通燈、節能燈、汽車尾燈、草坪燈、彩燈、水晶燈、 格柵燈、遂道燈等。
二、LED驅動電源的重要性
接觸過LED的人都知道:由于LED正向伏安特性非常陡 圖1.1(正向動態電阻非常小),要給LED正常供電就比較困難。不能像普通白熾燈一樣,直接用電壓源供電,否則電壓波動稍增,電流就會增大到將LED燒毀的程度。為了穩定LED的工作電流,保證LED能正常可靠地工作,具有”鎮流功能”的各種各樣的LED驅動電路就應運而生。最簡單的是串聯一只鎮流電阻,而比較復雜的是用許多電子元件構成的“恒流驅動器”。


三、LED驅動的技術方案
一 鎮流電阻方案
此方案的原理電路圖見圖1。這是一種極其簡單,自LED面世以來至今還一直在用的經典電路。
LED工作電流I按下式計算:


I與鎮流電阻R成反比;當電源電壓U上升時,R能限制I的過量增長,使I不超出LED的允許范圍。
此電路的優點是簡單,成本低;缺點是電流穩定度不高;電阻發熱消耗功率,導致用電效率低,僅適用于小功率LED范圍。
一般資料提供的鎮流電阻R的計算公式是:


按此公式計算出的R值僅滿足了一個條件:工作電流I 。而對驅動電路另兩個重要的性能指標:電流穩定度和用電效率,則全然沒有顧及。因此用它設計出的電路,性能沒有保證。


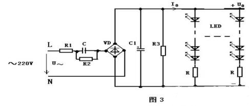
二 鎮流電容方案
電路的工作是基于在交流電路中,電容存在容抗XC也有”鎮流作用”的原理。另外電容消耗無功功率,不發熱;而電阻則消耗有功功率,會轉化為熱能耗散掉,所以鎮流電容比鎮流電阻,能節省一部分電能,并能設計成將LED燈直接接到市電~220V上,使用更為方便。
此方案的優點是簡單,成本低,供電方便;缺點是電流穩定度不高,效率也不高。僅適用于小功率LED范圍。當LED的數量較多,串聯后LED支路電壓較高的場合更為適用。


三 線性恒流驅動電路
上面已經提到電阻、電容鎮流電路的缺點是電流穩定度低(△I/I達±20~50%),用電效率也低(約50~70%),僅適用于小功率LED燈。
為滿足中、大功率LED燈的供電需要,利用電子技術常見的電流負反饋原理,設計出恒流驅動電路。和直流恒壓電源一樣,按其調整管是工作在線性,還是開關狀態,恒流驅動電路也分成兩類:線性恒流驅動電路和開關恒流驅動電路。
圖4是最簡單的兩端線性恒流驅動電路。它借用三端集成穩壓器LM337組成恒流電路,外圍僅用兩個元件:電流取樣電阻R和抗干擾消振電容C
四 開關電源驅動電路
上述線性恒流驅動電路雖具有電路簡單、元件少、成本低、恒流精度高、工作可靠等優點,但使用中也發現幾點不足:
a、調整管工作在線性狀態,工作時功耗高發熱大(特別是工作壓差過大時),不僅要求較大尺寸的散熱器,而且降低了用電效率。
b、電源電壓要求按公式(13)與LED工作電壓嚴格匹配,不允許大范圍改變。也就是說它對電源電壓及LED負載變化的適應性差。
c、它僅能工作在降壓狀態,不能工作在升壓狀態。即電源電壓必須高于LED工作電壓。
d、供電不太方便,一般要配開關穩壓電源,不能直接用~220V供電。
輸入整流:將正負變化的交流電變成單向變化的直流電
濾波:將變化的電壓波形平滑成波動較小的直流電壓波形
變壓器:儲存能量,產生需要的輸出電壓.原、副邊隔離。
輸出穩壓:穩定輸出電壓
取樣反饋:將輸出電壓的變化反映到控制電路,以便采取相應的措施保證輸出電壓在規定的范圍內
PWM+開關:控制電路,根據反饋回來的信號控制變壓器儲存能量的多少,從而保證輸出的穩定
采用開關電源驅動的優點:效率高,一般可以做到80%~90%,輸出電壓、電流穩定。輸出紋波小。且這種電路都有完善的保護措施,屬高可靠性電源。
LED驅動電源主要有恒壓式和恒流式
(1)恒壓式:
a、當穩壓電路中的各項參數確定以后,輸出的電壓是固定的,而輸出的電流卻隨著負載的增減而變化;
b、恒壓電路不怕負載開路,但嚴禁負載完全短路。
c、 以穩壓驅動電路驅動LED,每串需要加上合適的電阻方可使每串LED顯示亮度平均;
d、 亮度會受整流而來的電壓變化影響。
(2)恒流式:
a、 恒流驅動電路輸出的電流是恒定的,而輸出的直流電壓卻隨著負載阻值的大小不同在一定范圍內變化,負載阻值小,輸出電壓就低,負載阻值越大,輸出電壓也就越高;
b、 恒流電路不怕負載短路,但嚴禁負載完全開路。
c、 恒流驅動電路驅動LED是較為理想的,但相對而言價格較高。
d、 應注意所使用最大承受電流及電壓值,它限制了LED的使用數量;
開關恒流驅動電路
恒流源和恒壓源不同之處就是恒流的那部分電路。
恒流部分:它主要由T1、R8、R9、R5組成。三級管的導通電壓0.7V是已知量。R8阻值也是已知量,當電路開始工作后,只要R8和流過R8的電流乘積大于0.7V,三極管開始工作,電路就進入恒流工作。


四、LED與LED驅動電源的匹配
我們已經很清楚的知道LED驅動電源只有兩種方式:
恒流式:電流不變電壓在一定范圍內變化(隨負載變化)
恒壓式:電壓不變電流在一定范圍內變化(隨負載變化)
而LED燈配合的方式有三種:串聯式, 并聯式,串并混聯式。
串聯式:
要求LED驅動器輸出較高的電壓。當LED的一致性差別較大時,分配在不同的LED兩端電壓不同,通過每顆LED的電流相同,LED的亮度一致。
當某一顆LED品質不良短路時,如果采用穩壓式驅動,由于驅動器輸出電壓不變,那么分配在剩余的LED兩端電壓將升高,驅動器輸 出電流將增大,導致容易損壞余下所有LED。如采用恒流式LED驅動,當某一顆LED品質不良短路時,由于驅動器輸出電流保持不變,不影響余下所有LED 正常工作。當某一顆LED品質不良斷開后,串聯在一起的LED將全部不亮。解決的辦法是在每個LED兩端并聯一個齊納管,當然齊納管的導通電壓需要比LED的導通電壓高,否則LED就不亮了。


并聯式:
要求LED驅動器輸出較大的電流,負載電壓較低。分配在所有LED兩端電壓相同,當LED的一致性差別較大時,而通過每顆LED的電流不一致,LED的亮度也不同。可挑選一致性較好的LED,適合用于電源電壓較低的產品。
當某一個顆LED品質不良斷開時,如果采用恒壓式LED驅動,驅動器輸出電流將減小,而不影響余下所有LED正常工作。如果是采用 恒流式LED驅動,由于驅動器輸出電流保持不變,分配在余下LED電流將增大,導致容易損壞所有LED。解決辦法是盡量多并聯LED,當斷開某一顆LED 時,分配在余下LED電流不大,不至于影響余下LED正常工作。所以功率型LED做并聯負載時,不宜選用恒流式驅動器。當某一顆LED品質不良短路時,那么所有的LED將不亮,但如果并聯LED數量較多,通過短路的LED電流較大,足以將短路的LED燒成斷路。


串并混聯方式
在需要使用比較多LED的產品中,如果將所有LED串聯,將需要LED驅動器輸出較高的電壓。如果將所有LED并聯,則需要LED驅動器輸出較大的電流。 將所有LED串聯或并聯,不但限制著LED的使用量,而且并聯LED負載電流較大,驅動器的成本也會大增。解決辦法是采用混聯方式。串并聯的LED數量平均分配,分配在一串LED上的電壓相同,通過同一串每顆LED上的電流也基本相同,LED亮度一致。同時通過每串LED的電流也相近。
當某一串聯LED上有一顆品質不良短路時,不管采用恒壓式驅動還是恒流式驅動,這串LED相當于少了一顆LED,通過這串LED的電流將大增,很容易就會 損壞這串LED。大電流通過損壞的這串LED后,由于通過的電流較大,多表現為斷路。斷開一串LED后,如果采用恒壓式驅動,驅動器輸出電流將減小,而不 影響余下所有LED正常工作。如果是采用恒流式LED驅動,由于驅動器輸出電流保持不變,分配在余下LED電流將增大,導致容易損壞所有LED。解決辦法是盡量多并聯LED,當斷開某一顆LED時,分配在余下LED電流不大,不至于影響余下LED正常工作。
混聯方式還有另一種接法,即是將LED平均分配后,分組并聯,再將每組串聯一起。
當有一顆LED品質不良短路時,不管采用恒壓式驅動還是恒流式驅動,并聯在這一路的LED將全部不亮,如果是采用恒流式LED驅動,由于驅動器輸出電流保持不變,除了并聯在短路LED的這一并聯支路外,其余的LED正常工作。假設并聯的LED數量較多,驅動器的驅動電流較大,通過這顆短路的LED電流將增大,大電流通過這顆短路的LED后,很容易就變成斷路。由于并聯的LED較多,斷開一顆LED的這一并聯支路,平均分配電流不大,依然可以正常工作,哪么 整個LED燈,僅有一顆LED不亮。
如果采用恒壓式驅動,LED品質不良短路瞬間,負載相當少并聯一路LED,加在其余LED上的電壓增高,驅動器輸出電流將大增,極有可能立刻損壞所有 LED,幸運的話,只將這顆短路的LED燒成斷路,驅動器輸出電流將恢復正常,由于并聯的LED較多,斷開一顆LED的這一并聯支路,平均分配電流不大, 依然可以正常工作,哪么整個LED燈,也僅有一顆LED不亮.
通過對以上分析可知,驅動器與負載LED串并聯方式搭配選擇是非常重要的,恒流式驅動功率型LED是不適合采用并聯負載的,同樣的,恒壓式LED驅動器不適合選用串聯負載。


工程中的簡易計算方法
例:某電源額定輸出功率為5W電源,輸出電壓12V ,白光LED額定正向電壓3.3V,耗散功率為65mW,可配置多少個LED?
(1)計算每條支路的LED個數: 3.3V × 3 =9.9V
65mW ÷3.3V =20mA (12V - 9.9V)÷ 20mA = 105Ω
(2)計算并聯支路數 :5W ÷ (65mW × 3 + 20mA × 20mA × 105Ω ) = 21
(3)總共可以接多少個LED:21 × 3 =63個(串并混聯)


4:LED驅動電源使用中應注意的問題
A. LED降額使用。
B. 使用線性恒流驅動器,特別注意其工作壓差。
C. 隔離式開關恒流驅動器次級輸出電源不宜懸空,負極應接 地。
D. 對開關恒流驅動器,要嚴格遵守:先接好LED燈,再接通驅動器電源的操作順序。
我們針對瞬間電流沖擊問題研究了新型的解決方案,在輸出端加入限流電路,主要有兩種實現方案。
a、串聯連接方式,將多余部分的能量消耗在限流電路內部。通過將多余的能量堵在負載之前,保證在連接開關閉合的瞬間流過LED燈負載上的電流在LED燈所允許的電流范圍之內。


b、并聯連接方式,同樣也是將多余部分的能量消耗在限流電路內部。通過將多余的能量引到限流電路上,保證流過LED燈上的電流在LED燈的安全電流范圍之內。
串聯限流電路:配置在高頻濾波電容(C3)和恒流回路之間,在一個橫向分支上包含一個NPN型晶體管(Q1)的集電極—發射極通道和與這個集電極—發射極通道串聯的限流電阻(R1)。集電結偏置電阻(R5)連接到NPN型晶體管(Q1)的集電極與基極之間。NPN型晶體管(Q2)的基極連接到NPN型晶體管(Q1)的發射極上,NPN型晶體管(Q2)的集電極與NPN型晶體管(Q1)的基極相連,NPN型晶體管(Q2)的發射極連接到限流電阻(R1)的一端。同時該限流電路可以串接在恒流電阻(R2)和限壓回路之間,還可以串接在限壓回路和連接開關(S1)之間,也可以串接在負載和輸出極地電位之間。
當輸出電流低于預先設定的限流值時,限流電阻上的壓降低于0.7V,NPN型晶體管(Q2)處于截止狀態,NPN型晶體管(Q1)處于飽和導通狀態。電路正常工作,僅僅只在限流電阻(R1)和NPN型晶體管(Q1)上增加了少量損耗。當輸出的電流大于預先設定的限流值時,便會在限流電阻上產生高于0.7V的壓降,此時NPN型晶體管(Q2)飽和導通,NPN型晶體管(Q1)發射極—集電極通道的等效阻值增大,起到限制輸出電流的作用,近而有效的保護了負載上短暫的過流現象。


并聯限流電路:配置在輸出限壓回路和負載之間,在一個縱向分支上并聯上一個NPN型晶體管(Q3)的集電極—發射極通道,NPN型晶體管(Q3)的基極連接到負載負電位上,限流電阻(R2)連接到NPN型晶體管(Q3)的發射極和基極之間。NPN型晶體管(Q3)的集電極—發射極通道可以電容后的任意一個縱向分支上。
當輸出電流值小于預先設定的閾值電流時,限流電阻(R2)兩端的壓降小于0.7V,NPN型晶體管(Q3)處于截止狀態,電路正常工作;當輸出電流值大于預先設定的閾值電流時,限流電阻兩端的壓降大于0.7V,NPN型晶體管(Q3)集電極—發射極通道變為低阻值,使得大部分的電流流過NPN型晶體管(Q3)的集電極—發射極通道上,且以熱能的形式消耗在NPN型晶體管(Q3)的集電結上,從而有效地保護了負載上短暫的過流現象。
五、LED日光燈電源設計心得
非隔離型降壓式電源設計方法概論
非隔離降壓型電源是現在普遍使用的電源結構,幾乎占了日光燈電源百分之九十以上。很多人都以為非隔離電源只有降壓型一種,每每一說到不隔離,就想到降壓型,就想到說對燈不安全(指電源損壞)。其實降壓型不只是一種,還有兩種基本結構,即升壓,和升降壓,即BOOST AND BUCK-BOOST,后兩種電源即使損壞。不會影響到LED的好處。降壓式電源也有其好處,它適合用于220,但不適用于110,因為110V本來電壓就低,一降就更低了,那樣輸出的電流大,電壓低,效率做不太高。 降壓式220V交流,整流濾波后約三百伏,經過降壓電路,一般將電壓降到直流150V左右,這樣即可實現高壓小電流輸出,效率可以做得較高。一般用MOS 做開關管,做這種規格的電源,我的經驗是,可以做到百分之九十那樣差不多,再往上也困難。原因很簡單,芯片一般自損會有0.5W到1W,而日光燈管電源不過就是10W左右。所以不可能再往上走?,F在電源效率這個東西很虛,很多人都是吹,實際根本達不到。
常見有些人說什么3W的電源效率做到百分之八十五了,而且還是隔離型的。告訴大家,即便是跳頻模式的,空載功耗最小,也要0.3W,還什么輸出3W低壓,能到百分之八十五,其實有百分之七十算很好了,反正現在很多人吹牛不打草稿,可以忽悠住外行,不過現在做LED的懂電源的也不多。
我說過,要效率高,首先就要做非隔離的,然后輸出規格還要高壓小電流,可以省去功率元件的導通損耗,所以象這種LED電源的主要損耗,一就是芯片自有損耗,這個損耗一般有零點幾W到一W的樣子,還有一個就是開關損耗了,用MOS做開關管可以顯著減小這個損耗,用三極管開關損耗就大很多。所以盡量不要用三極管。還有就是做小電源,最好不要太省,不要用RCC,因為RCC電路一般的廠家根本做不好質量,其實現在芯片也便宜,普通的開關電源芯片,集成MOS管的,最多不過兩元錢,沒必要省那么一點點,RCC只省點材料費,實際上加工返修等費用更高,到頭到反而得不償失的那樣。
降壓式電源的基本結構就是將電感和負載串入300V高壓中,開關管開關的時候,負載即實現了低于300V的電壓,具體的電路很多,網上也很多,我也不畫圖再說了。現在9910,還有一般的市場上的恒流IC基本都是用這種電路來實現的。但這種電路就是開關管擊穿的時候,整個LED燈板就玩完,這應該算是最不好的地方了。因為當開關管擊穿的時候,整個300V的電壓就加在燈板上,本來燈板只能承受一百多伏電壓,現在成了三百伏了,這種情況一發生。LED肯定要燒掉。所以很多人說非隔離的不安全,其實就是說降壓的,只是因為一般非隔離的絕大多數是降壓的,所以認為非隔離的損壞一定要壞 LED。其實另外兩種基本的非隔離結構,電源損壞,不會影響LED的。
降壓式電源要設計成高壓小電流,效率才能高,細說一下,為什么?因為高壓小電流,可以讓開關管電流的脈寬大一些,這樣峰值電流就小一些,還有就是,對電感的損耗也小一些,通過電路結構就可以知道,電路不方便畫,具體也難以再敘述下去了。就隨便總結一下,降壓電源的好處是,適合于220高壓輸入使用,以使得功率器件承受的電壓應力小,適合做大電流輸出,比如做100MA電流,比后兩種方式來的輕松,效率要高。效率算比較高的,對電感的損耗較小,但對開關管損耗大一些,因為所有經過負載的功率必須要經過開關管傳輸,但輸出的功率,只有一部分經過電感,如300V輸入,120V輸出的降壓型電源,只有 180V的部分要經過電感,120V的部分是直接導通進入負載的,所以說對電感損耗比較小,但輸出的功率,全部要經過開關管轉化。
分解兩種恒流控制方式
下面要說的是,兩種恒流控制模式的開關電源,從而產生兩種做法。這兩種做法,無論是原理,還是器件應用,還是性能差別,相當都較大。
首先說原理。第一種以現在恒流型LED專用IC為代表,主要如9910系列,AMC7150,凡是現在打LED恒流驅動IC的牌子基本都是這種,且叫他恒流IC型的吧。但我認為這種所謂恒流IC做恒流,效果卻不怎么好。其控制原理相對來說較簡單,就是在電源工作的原邊回路,設定一個電流閥值,當原邊MOS導通,此時電感的電流是線性上升的,當上升到一定值的時候,達到這個閥值,就關斷電流,下一周期再由觸發電路觸發導通。其實此種恒流應該是一種限流,我們知道,當電感量不同的時候,原邊電流的形狀是不同的,雖然有相同的峰值,但電流平均值不同。因此,象這種電源一般就是批量生產時,恒流大小的一致性不太好控制。還有就是此種電源有一個特點,一般是輸出電流是梯形的,即波動式電流,輸出一般是不用電解平滑的,這也是一個問題,如果電流峰值過大,會對LED產生影響。如果電源的輸出級沒有并電解來平滑電流的那種電源,基本上都屬此類。即判斷是否是這種控制方式,就看其輸出有沒有并上電解濾波了。這種恒流我原來一直叫其為假恒流,因為其本質就是一種限流,并不是經過運放比較,而得到的恒流值。
第二種恒流方式,應該可以叫做開關電源式的。這種控制方式和開關電源的恒壓控制方式相似。大家都知道用TL431做恒壓吧,因為其內部有一個2.5伏的基準,然后用電阻分壓方式。當輸出電壓高一點的時候,或低一點的時候,就產生一個比較電壓,經過放大,去控制PWM信號,所以此種控制方式可以很精確的控制電壓。這種控制方式,需要一個基準,還需要一只運放,如果基準夠準,運放放大倍數夠大,那么就定的很準。同樣的,做恒流,就是需要一個恒流基準,一個運放,用電阻過流檢測,作為信號,然后用這個信號放大,去控制PWM,可惜現在就是不太好找到很準的基準信號,常用的有三極管,這個做基準溫漂大,還有就是可以拿二極管約1V的導通值做基準,這樣的也可以,可都不高,最好的是用運放加TL431當基準,但電路復雜。但這樣做的恒流電源,恒流精確度還是好控制的多。而這種模式控制的恒流,其輸出一定得加電解濾波,所以輸出電源是平滑直流,不是脈動的,脈動的話就沒法取樣了。所以要判定是哪種只要看其輸出是否有電解就行了。
兩種恒流控制模式決定了使用兩類不同的器件,一是從而決定了兩種電路器件使用不同,性能的不同,成本亦不同。以9910系列為代表的恒流型控制IC 做的LED電源,實際是限流,控制較簡單,嚴格的說起來,其不屬于開關電源控制的主流模式,開關電源控制的主流模式是一定要有基準和運放的。但這種IC出來就只能用于LED,很難用于其它的東西,只是因為LED對紋波要求極低。但因為是只用于LED,所以現在價格較高?;揪褪鞘褂?910加MOS管制作,輸出無電解,一般我看很多人就是用工字電感做功率轉換電感的。這種電源,一般廠家的芯片資料上有出圖,基本都是降壓式。我也不多說了,精于此道的人比我多的多。
二是以我為代表的,即是開關電源控制模式的恒流驅動器。這種,就是以普通的開關電源芯片為核心轉換器件,這種芯片很多,如PI的TNY系列,TOP系列,ST的VIPER12,VIPER22,仙童的 FSD200等,甚至只用三極管或是MOS管的RCC等,都可以做。好處是成本低,可靠性也不錯。因為普通的開關電源芯片不但價格好,而且都是經過大量使用的經典產品。象這種IC其實一般集成了MOS管,比9910外加MOS方便,但控制方式復雜一些,需要外加恒流控制器件,可以用三極管,或是運放。磁性元件可以用工字電感,亦可用帶氣隙的高頻變壓器。
關于此種電源的要求和電路結構的問題
我的看法是,因為電源要內置在燈里,而發熱是LED光衰最大的殺手,所以發熱一定要小,就是效率一定得高。當然得有高效率的電源。對于T8一米二長的那種燈,最好是不要用一支電源,而是用二支,兩端各一只,將熱量分散。從而不使熱量集中在一個地方。
電源的效率主要取決于電路的結構和所用的器件。先說電路結構,有些人還說要隔離電源,我想絕對是沒必要的,因為這種東西本來就是置于燈體內部,人根本摸不到。沒必要隔離,因為隔離電源的效率比不隔離效率要低,第二是,最好輸出要高電壓小電流,這樣的電源才能把效率做高。現在普遍用到的是,BUCK電路,即降壓式電路。最好是把輸出電壓做到一百伏以上,電流定在100MA上那樣,如驅動一百二十只,最好是三串,每串四十只,電壓就是一百三十伏,電流 60MA。
這種電源用的很多,本人只是認為有一點不好,如果開關管失控通咱,LED會玩完。現在LED這么貴。我比較看好升壓式電路,此種電路的好處,我反復的說過,一是效率較降壓式的高些,二是電源壞了,LED燈不會壞。這樣能確保萬無一失,如果燒壞一個電源,只是損失幾塊錢,燒一個LED日光燈,就會賠掉上百元的成本。所以我一直首推還是升壓式的電源。
還有就是,升壓式電路,很容易把PF值作高,降壓式的就麻煩一些。我絕對升壓式電路用于LED日光燈的好處還是有壓倒性的強于降壓式的。只是有一年缺點,就是在220V市電輸入情況下,負載范圍比較窄,一般只能適用于100至140個一串或兩串LED,對于少于此數的,或是夾在中間的,卻用起來不方便。不過現在做LED日光燈的,一般60CM長那種都是用100至140,一米二的那種,一般就是用二百到二百六那樣,使用起來還是可以的。所以現在LED日光燈一般使用的是不隔離降壓電路,還有不隔離升壓電路。
我是做開關電源的,原來做過適配器,充電器,鐵殼開關電源。后來做LED電源,最初是做些1W,3W的大功率LED驅動器,但后來做的少了。原因很簡單,沒有市場。我發現大功率LED恒流電源,只要其功率超過5W,基本就沒有市場,只能是打樣。因為LED太貴。這也算給同行做電源的朋友提個醒,這是我的經驗之談。
不知有多少人失足于大功率LED,大功率LED雷聲大,雨點小,害的不少在這一塊痛失老本。還是小功率LED市場好一點。不過也不行,現在小功率LED驅動器,被阻容降壓電源占去大部分江山。恒流形的開關電源驅動小功率LED,好是好,就是很多人接受不了其成本。
我愛用變壓器,因為電感的成本雖然很低,但我覺得其帶負載能力不行,再者調節感量也不靈活。所以我覺得比較好的器件選擇是,普通的集成MOS的開關電源芯片加高頻變壓器,從性能,成本上,都是最理想的選擇,不需要去用什么恒流IC,那種東西,又不好用,又貴。
可靠性,恒流精度都很好,價格才五元錢,但不少人還是嫌貴,因為他們拿它和一元錢的阻容降壓電源去比較,當然這二者根本沒法比。我做的開關電源里面,有一個集成MOS的開關電源芯片,還有一個變壓器。這二者的成本就是放在那里的,當然性能也是放在那里的。但我相信,最終小功率 LED恒流驅動器會將阻容降壓電源淘汰掉。因為消費者會慢慢趨于理性,一個阻容降壓電源做出來的燈具,幾乎是沒有什么實用價值的,只能當個擺設和玩具,如果LED真的進入了通用照明領域,阻容降壓電源根本無法勝任。我可以料到將來的情況會是,隨著LED性能的提高,價格的降低,電源成本也將會成為LED燈具成本的相當重要的一部分。真正的燈具,阻容降壓根本不能勝任。阻容降壓電源大行其道,只是一個過渡,最終還是恒流型電源為正宗。
我目前還是看好小功率的LED燈具。小功率LED燈,目前主要是光衰太大,價格也不夠理想。但現在用于普通照明還是比大功率有優勢。我認為小功率LED燈具進入通用照明領域,和節能燈一較高下,會是五年之內的事。而大功率LED進入通用照明,則肯定是五年以外的事。所以現在我專注于小功率LED的研發和制作。我注意到現在小功率LED應用于通用照明的燈具主要有LED臺燈,LED蜂窩燈,還有LED日光燈。尤其是LED日光燈,從07年下半年開始,很多人開始研發,可以說熱的不得了?;旧犀F在找我的人里十個有八個都是做這個的,所以我也做就開始做LED日光燈的電源,做了一段時間,所以在此說一下這種電源的研發和制作的大致方法和原則。以上算是個人所體會到的吧。
最后說一下,區別這兩種電源,一個最重要的方法,就是看其輸出是否有電解電容作濾波。
關于供電問題——不管是做限流型恒流控制的電源,還是運放控制的恒流電源,都要解決供電問題。即開關電源芯片工作 的時候是需要一個相對穩定的直流電壓為其芯片供電的,芯片的工作電流從一個MA到幾個MA不等。有一種象FSD200,NCP1012,和HV9910,此種芯片是高壓自饋電的,用起來是方便,但高壓饋電,造成IC熱量的上升,因為IC要承受約300V的直流電,只要稍有一點電流,就算一個MA,也有零點三瓦的損壞耗了。一般LED電源不過十瓦左右,損失零點幾瓦以下就可以將電源的效率拉下幾個點。還有就是典型象QX9910。,用電阻下拉取電,這樣,損耗就在電阻上,大約也得損失它零點幾瓦吧。還有就是磁耦合,就是用變壓器,在主功率線圈上加一個繞組,就象反激電源的輔助繞組一樣,這樣可以避免損掉這零點幾瓦的功率。這也是我為什么不隔離電源還要用變壓器的原因之一,就是為了避免損失那零點幾瓦的功率,將效率提幾個點。
對高PF LED日光燈電源,大電流的LED日光燈電源的看法
個人認為這些做法有很多時候實在是舍本逐末而已?,F在先請問一下LED相對于傳統燈具的優勢在哪,第一,節能,第二長壽,然后是不怕開關,對吧。但是現在使用的高PF的方法,均是使用無源填谷PF電路,由原來的驅動方式,即48串,6并改為,24串12并,這樣的話,在220V情況下,效率會降下五個百分點左右,于是LED日光燈電源,發熱量更高了,燈珠也會受到一點影響。
還有一個問題,就是,24串12并的做法,會讓LED日光燈燈珠的布線變的很難受,不好布線了。我看,最好的方式還是48串一串方式好,主要是效率高,發熱小,而且布線容易,不復雜。
更有甚者,現在還有人提出什么24并,12串,這種方式只適合用于隔離電源,不隔離電源根本不適用。更有些不懂電源常識的人覺得自己非隔離電源做到恒流600MA輸出就好牛X了,其實他都沒有自己仔細的放在燈管里試過,象這種不熱爆了才怪。
所以說,現在搞什么低壓大電流做LED日光燈電源,實是舍本求末的做法。
關于外形
現在LED日光燈電源,做燈的廠家普遍要求放在燈管內,如放T8燈管內。很少一部分外置。不知道為什么都要這樣。其實內置電源又難做,性能也不好。但不知道為什么還有這么多人這樣要求。可能都是隨風倒吧。外置電源應該說是更科學,更方便才對。但我也不得不隨風倒,客戶要什么,我就做什么。但做內置電源,有相當難度哦。因為外置的電源,形狀基本沒有要求,想做多大做多大,想做成什么形狀也沒關系。內置電源,只能做成兩種,一種是用的最多的,就是說放在燈板下面,上面放燈板,下面是電源,這樣就要求電源做的很薄,不然裝不進。而且這樣只能把元件倒下,電源上的線路也只有加長。我認為這樣不是個好辦法。不過大家普遍喜歡這樣搞。我就搞。還有就是用的少一些,放兩端的,即放在燈管兩頭,這樣好做些,成本也低些。我也有做過,基本就是這兩種內置形狀了。
烜芯微專業制造二極管,三極管,MOS管,橋堆等20年,工廠直銷省20%,4000家電路電器生產企業選用,專業的工程師幫您穩定好每一批產品,如果您有遇到什么需要幫助解決的,可以點擊右邊的工程師,或者點擊銷售經理給您精準的報價以及產品介紹
烜芯微專業制造二極管,三極管,MOS管,橋堆等20年,工廠直銷省20%,4000家電路電器生產企業選用,專業的工程師幫您穩定好每一批產品,如果您有遇到什么需要幫助解決的,可以點擊右邊的工程師,或者點擊銷售經理給您精準的報價以及產品介紹

