如上圖,左端接3.3VCMOS電平,可以是STM32、FPGA等的IO口,右端輸出為5V電平,實現3.3V到5V電平的轉換。
現在來分析下各個電阻的作用(抓住的核心思路是三極管的Vbe導通時為恒定值0.7V左右):
假設沒有R87,則當US_CH0的高電平直接加在三極管的BE上,>0.7V的電壓要到哪里去呢?
假設沒有R91,當US_CH0電平狀態不確定時,默認是要Trig輸出高電平還是低電平呢?因此R91起到固定電平的作用。同時,如果無R91,則只要輸入>0.7V就導通三極管,門檻電壓太低了,R91有提升門檻電壓的作用(可參見第二小節關于蜂鳴器的分析)。
但是,加了R91又要注意了:R91如果太小,基極電壓近似
只有Vb>0.7V時才能使US_CH0為高電平時導通,上圖的Vb=1.36V
假設沒有R83,當輸入US_CH0為高電平(三極管導通時),D5V0(5V高電平)直接加在三極管的CE級,而三極管的CE,三極管很容易就損壞了。
再進一步分析其工作機理:
當輸入為高電平,三極管導通,輸出鉗制在三極管的Vce,對電路測試結果僅0.1V
當輸入為低電平,三極管不導通,輸出相當于對下一級電路的輸入使用10K電阻進行上拉,實際測試結果為5.0V(空載)
請注意:
對于大電流的負載,上面電路的特性將表現的不那么好,因此這里一直強調——該電路僅適用于10幾mA到幾十mA的負載的電平轉換。
蜂鳴器驅動電路


上面是從周立功的iMX283開發板上載下的電路,既可以是有源也可以是無源蜂鳴器。來分析下:
計算下各處的電流(S9013的β=120,設蜂鳴器電流15mA):


輸入為高電平的門檻電壓計算為:


R1起到了提供啊門檻電壓的作用。
有源蜂鳴器和無源蜂鳴器的驅動電路區別主要在于無源蜂鳴器本質上是一個感性元件,其電流不能瞬變,因此必須有一個續流二極管D1提供續流。否則,在蜂鳴器兩端會有反向感應電動勢,產生幾十伏的尖峰電壓,可能損壞驅動三極管,并干擾整個電路系統的其它部分。而如果電路中工作電壓較大,要使用耐壓值較大的二極管,而如果電路工作頻率高,則要選用高速的二極管
設計這種電路的基本路子是:確定負載(蜂鳴器10mA~80mA)電流和輸入門檻電壓。依據1中的方法計算獲得R1與R2的值。
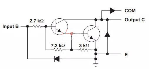
ULN2x03驅動電路


針對上面的驅動電路:
1.負載接的是紅外二極管,其串聯電阻是限流電阻,控制紅外發射強度
2.輸入連接到STM32的PWM功能普通IO口(設置推挽輸出),COM口接輸出電壓5V


針對上面的電路測試(Power=5.0V):
1.輸入3.3V,輸出0.6V
2.輸入0V,輸出5.0V
3.輸入不接,輸出5.0V
所以,ULN2003/2803同樣可以用于電平轉換,那這是為什么呢?ULN2803/2003與三極管又有什么關系——其內部實現就是兩個三極管。


其結構有3個特點:
1.輸出集電極開漏,因此可以自己接上拉電阻,將信號上拉到相應的電平,ULN2803手冊上說明能承受的最大電壓為50V
2.數據手冊上說明在Ic=250mA時的輸入門檻電壓為VI(on)=2.7V
3.COM端接有一個反向二極管:接到輸出電源,用于驅動電機等負載電感器件時能在上下電時提供電流回路保護電路;輸出電壓高于COM端電壓,則電壓會鉗制在VCOM+0.4V左右(這里的二極管壓降較小)
ULN2003與ULN2803的區別僅在于ULN2003只有8個通道,而ULN2803有9個通道。
相對于前面的自己搭建的三極管電路,其具有更好的電流驅動特性,因此,前面的自己搭建的三極管電路適用于電平切換及小電流的驅動,而ULN2803及ULN2003適用于更大電流的驅動(Datasheet上說最大驅動電流能達到500mA左右)。因此常用ULN2803及ULN2003(還有其它的如75452、MC1413、L293D)提高系統的帶負載能力(電機、大型LED、繼電器等)。
烜芯微專業制造二極管,三極管,MOS管,橋堆等20年,工廠直銷省20%,1500家電路電器生產企業選用,專業的工程師幫您穩定好每一批產品,如果您有遇到什么需要幫助解決的,可以點擊右邊的工程師,或者點擊銷售經理給您精準的報價以及產品介紹
烜芯微專業制造二極管,三極管,MOS管,橋堆等20年,工廠直銷省20%,1500家電路電器生產企業選用,專業的工程師幫您穩定好每一批產品,如果您有遇到什么需要幫助解決的,可以點擊右邊的工程師,或者點擊銷售經理給您精準的報價以及產品介紹

