光伏逆變器作為電力電子技術行業的一個重要分支,其技術進步高度依賴于電子元器件和控制技術的展開。而隨著光伏發電微風力發電等新能源大范圍應用和降本錢的需求,反過來又推進了電力電子技術的展開,近年來逆變器廠家競爭猛烈,其總體趨向是體積越來越小,重量是越來越輕,銷售價錢越來越低,那么,逆變器廠家是采取哪些方法怎樣完成的?
1、盡量減少功率器件的數量,進步功率器件的開關頻率。
2、盡量增加功率器件的數量,降低功率器件的開關頻率。
你沒有看錯,這兩個貌似相互矛盾的方案,確是逆變器行業技術道路的真實寫照。為什么是這種情況,逆變器的中心技術是熱設計技術和輸出電流諧波控制技術,功率器件的開關頻率越高,輸出波形就越好,但器件的損耗也越高,逆變器體積最大,最貴的兩種器件是散熱器和電感,它們的體積、本錢,重量約占逆變器的30%左右,逆變器怎樣降本錢,怎樣減少體積,都要在它們倆身上打主意。
要想減少散熱器的體積,就必需求減少功率器件的熱損耗,目前有兩種技術道路:
一是采用碳化硅材料的元器件,降低功率器件的內阻
二是采用三電平,五電對等多電平電氣拓撲以及軟開關技術,降低功率器件兩端的電壓,降低功率器件的開關頻率。電感是控制逆變器輸出波形最關鍵的硬件,要想減少電感的體積,就必需增加功率器件的開關頻率。


1、功率開關管的歷史:
第一代是可控硅,也稱晶閘管(SCR),它只能控制器件導通,器件關通要靠主電路電壓反向來中止,因此說它是一種半控型器件,它的開關容量大,能抵達幾萬安培,耐壓高,但驅動電路結構很復雜,器件的開關頻率低,損耗也較大。
第二代是GTR,是電流控制型雙極雙結電力電子器件,它具有開關損耗小和阻斷電壓高的優點,但開關頻率不高,驅動電流較大。
第三代是MOSFET,它是一種電壓控制型器件,控制功率極低,開關頻率高,但輸出特性不好。
第四代是絕緣柵晶體管(IGBT),它是一種用MOS柵控制的晶體管,它集中了GTR和MOSFET的優點,驅動電路簡單和開關頻率高,和MOSFET相似,輸出電流大和GTR相似,第五代是參與SIC碳化硅材料的MOSFET和IGBT以及碳化硅肖特基二極管。
碳化硅(SiC)器件屬于寬禁帶半導體組別,與常用硅(Si)器件相比,有許多優勢:一、是耐高壓,碳化硅器件具備更高的擊穿電場強度,最高耐壓可達10kV,比硅(Si)器件耐壓進步了幾倍;二、是耐高溫,其最高結溫可達600度,而最新英飛凌的PrimePACK第四代IGBT,其最高結溫是175度;三、是碳化硅器件開關損耗非常低,非常適宜用于高開關頻率系統,當開關頻率大于20Khz時,碳化硅器件損耗是硅IGBT的50%。IGBT+Si二極管的損耗,隨著頻率的改動損耗變化幅度非常大,而IGBT+SiC二極管的損耗,隨著頻率的變化改動不是很大。特別是在16K到48K,其總損耗幾乎是線性的,增加幅度較小。
但是碳化硅也有缺點,限制了它的應用范圍:
一、是電流較小,迄今為止SiCMOSFET和肖特基二極管的最大額定電流小于100A,大功率逆變器用不上;
二、是產能缺乏,價錢還比較貴;
三、是穩定性和硅基IGBT相比還差一點;
2、軟開關與多電平技術
軟開關技術應用諧振原理,使開關器件中的電流或者電壓按正弦或者準正弦規律變化,當電流自然過零時,關斷器件;當電壓自然過零時,開通器件。從而減少了開關損耗,同時極大地處置了理性關斷,容性開通等問題。當開關管兩端的電壓或流過開關管的電流為零時才導通或者關斷,這樣開關管不會存在開關損耗。
軟開關諧振變換器是由電感、電容組成諧振電路,增加了很多器件,系統變得復雜,可靠性降低;由于光伏逆變器要保證功率要素為1,因此軟開關技術只適宜在前級DC-DC變換中用到,后級的DC-AC變換還需求多電平技術。
按照輸出電壓的電平數,逆變器可以分為兩電平和多電平。
兩電平換流器的主要優點有:電路結構簡單,電容器數量少,占空中積小。但由于兩電平逆變器器件需求承受的電壓高,因此開關損耗較大,為了避免呈現上述技術難題,多電平開端呈現,并遭到了越來越多的關注。
所謂多電平是指輸出電壓波形中的電平數等于或者大于3的換流器,如三電平、五電平、七電對等。多電平換流器降低了兩電平對開關器件兩端的電壓,可經過適合的調制方式減少開關器件的開關損耗,同時堅持交流側較低的諧波。
兩電平與多電平優點:
1)損耗對比,兩電平中主開關承受電壓為為全部母線電壓,三電平為直流側電壓一半,五電平為直流側電壓四分之一,電壓的降低,帶來損耗的降低和可靠性增加。
2)輸出諧波:輸出電平臺階越多,波形越趨近與正弦波,三電平系統相關于兩電平系統,相當于把開關頻率進步一倍,五電平系統對兩電平系統,相當于把開關頻率進步兩倍,后面的濾波電感容量就可以減少一到兩倍。兩電平與多電平缺陷:三電平、五電平和兩電平器件數量相比,要多3倍到5倍,隨著器件的增加,主電道路路長,系統雜散電感增加,系統的可靠性降低,控制算法也變得很復雜。
綜合起來,要想把逆變器體積降低,一個途徑是運用碳化硅材料的功率開關器件,進步開關頻率,降低電感的體積,但碳化硅目前技術還不是非常成熟,價錢較貴,容量也比較小,應用遭到限制;另一個途徑是采用軟開關和多電平技術,可以降低器件的電壓,減少損耗,從而減少散熱器的體積,還可以間接進步開關頻率,降低電感的體積,但是這個方案元器件增加幾倍,增加了系統的風險。
有沒有一種器件,既有碳化硅材料的低內阻,還有三電平結構的低電壓,整個系統的元器件還不能多,還要好安裝,好控制,可靠性也要好,而且價錢也不能太貴。集成這么多優勢的元器件到底有沒有?
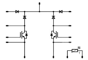
這種功率器件還真有,它就是集成多個元器件的功率模塊。下圖是用于光伏逆變器的功率模塊,它結構緊湊,將多個分立器件集成到一個模塊中,減少了器件之間連線的寄生阻抗。功率模塊驅動回路與主功率回路從不同的管腳分別引出,減少了IGBT主功率回路對驅動回路的電磁干擾。模塊配置了NTC電阻,可以精準地檢測模塊內部溫度。2802.png前級DC-DC電路 由2個高速IGBT、4個碳化硅二極管和一個溫度傳感器等7個元器件組成,包含雙路boost模塊,額定電流為50A,可以支持25kW的MPPT回路。




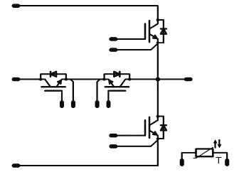
后級采用高效MNPC三電平IGBT模塊,由4個50-80A的IGBT組成,一個模塊相當于8個分立器件。采用中點鉗位型的T型三電平結構,損耗低效率高,元器件承受的電壓低,壽命長。


烜芯微專業制造二三極管,MOS管,20年,工廠直銷省20%,1500家電路電器生產企業選用,專業的工程師幫您穩定好每一批產品,如果您有遇到什么需要幫助解決的,可以點擊右邊的工程師,或者點擊銷售經理給您精準的報價以及產品介紹


烜芯微專業制造二三極管,MOS管,20年,工廠直銷省20%,1500家電路電器生產企業選用,專業的工程師幫您穩定好每一批產品,如果您有遇到什么需要幫助解決的,可以點擊右邊的工程師,或者點擊銷售經理給您精準的報價以及產品介紹

